ак-то раньше не обращал внимания, но сейчас....... - оба пера рулей ф топку......... портят весь прекрасный вид.И по толщине и по вздутости....... нельзя их такими оставлять, честное слово.А вот цвет я бы оставил.
Да, я их по Бумажному моделированию делал, самому не понравились) Выстрогаю новые или эти шлифану)
Цвет оставляю.
Спасибо за совет!
Всех приветствую!
Вот и дошло дело до первых окрасочных работ!
Все прошло далеко не гладко, надеялся на более лучший результат.
И аэрограф покапризничал и краска густовата да в общем набивал руку, хотя перед этим на пробнике потренировался, а на модели все равно по-другому вышло.
Подскажите коллеги, как цвет на фото? Не слишком темный? Может высветлить немного нужно?










И с палубой поработал, попробовал нанести ленты из мюц-металла. 
На этом пока всё!
Дальше по плану палуба и корпус.
Всем удачи и добра!)
Всех приветствую!
Давненько меня не было, но стройку не забросил.
Работал долго над обшивкой, установил бронепояс.
Выполнил все тех отверстия в обшивке, согласно чертежу с форума. Решетки на тех отверстия решил сделать из пластика, не стал заморачиваться с травленкой.
Была большая неприятность, нос и корма провисли относительно миделя в низ на 4-5 мм, видимо картон сыграл злую шутку, пришлось сделать специальные натяжители, чтобы вытянуть все обратно, соответственно все это потянуло обшивку, которую частично пришлось переклеить.
Практически закончил валы к гребным винтам. К рулям пока не приступал.
Пока придумываю форштевень как выполнить, пробую на горячую формовать пластик, вроде получается, но нужно подогнать, позже как получиться выложу фото.
Все закрыл грунтом МАТИП.
Дело уже стало ближе к покраске!
Всем добра!)
@_Norwegen_ написал:Ммм. А фольга клеится чем к корпусу? Я просто сейчас матчасть просматриваю там швы сварные. Клепка тоже отлично видна на корме да и местами по крпусу. Фотографий не слишком много но на тех что есть хорошо видны листы. Если я вдруг решу уложить расшивку. Она укладывается после смолы и потом под грунт? По логике вещей так должно быть?
Я фольгу алюминиевую брал 50 мкм. Продается в строймаге, как теплоизоляция для бани.
Клеил на 88й, самое главное, чтоб клей жидкий был, не старый и наносить с подслоями и очень тонко. Суперклей плохо держит, им я только тонкие детали приклеивал. Модель в процессе, еще не крашена, поэтому результат, пока сказать, неизвестен. Заклепки прокатывал. Вот тут можно поглядеть как она сейчас выглядит https://karopka.ru/forum/forum190/topic30801/?PAGEN_1=3 . Грунт Тамиевский хорошо держится, уже проверял, но предварительно нужно сбить глянец.
Спасибо!)
@Fencer написал:Кто знает?
@Константин написал:Илья Кузьминых написал:Тонковато их сделал, 0.3 мм, материал после промывки в изопропиле повело, надо было этиловым мыть(. Подшпаклевать попробую. На худой конец всё чехлом закрою), а так хотелось попробовать всё снаряжение баркаса изобразить.
Странно...
Печатал шлюпки со стенками 0.3 мм и всей внутрянкой, промывал тоже в изопропиле - всё ровненько, ничего не повело. Единственное, что изменил в настройках - немного увеличил время засветки слоёв, чтобы лучше пропечатались рыбины и решётки. Смола - Longer серая и чёрная.
Печать ставил не я. Я только 3д модели рисовал. Фотополимер Formlabs( он дорогой, это остатки от проектов) Печатает изумительно, но смывается плохо, может от того что срок годности вышел, а может чего то и не так делаем, да и структура у него сама по себе мягковата. А про время засветки спасибо! Возьму на заметку).
@ВЛАДИМИР ИЛЬИН написал:Здорово. Обшивка корпуса очень понравилась.
Спасибо. Всё жду музу, чтоб найти силы закончить её).
@Константин написал:А что у баркаса с бортами? Такое впечатление, что их повело.
Тонковато их сделал, 0.3 мм, материал после промывки в изопропиле повело, надо было этиловым мыть(. Подшпаклевать попробую. На худой конец всё чехлом закрою), а так хотелось попробовать всё
снаряжение баркаса изобразить.
Спасибо!
Всем привет!
Немного продолжения с башнями)
Купил травление от "микродизайна" , трапы РИФ:
Примерил. Поручни позже приделаю из проволоки.
ВОПРОС по трапу в дверь башни!, Мелковат, так оставить или попробовать по другому изобразить?
Закончил рисовать и напечатал в смоле все шлюпки и катера.
Паровой катер 2шт, моторный катер 2шт, 20ти весельный баркас, 6ти весельный вельбот, и ял6.
Моторный катер:
Паровой катер:
Баркас:
Вельбот:
ЯЛики:
Естественно мелочевку не рисовал, т к не пропечаталась бы , что то из проволоки будет, а что то и на травление нарисуем)
Пока всё.
@Иван Ильин написал:Владивосток?
Так у вас же там Китай под боком - на алике, думаю, точно есть.
Китай под боком, а растаможивают все равно в Москве товары( Так что доставка еще дольше чем на западе.
Еще вариант щелочь плюс нагрев градусов так до 70ти. В качестве щелочи сойдет КРОТ для очистки труб канализации, в порошке не дорого стоит.
@Fedot написал:Коллеги, есть вопрос. Как очистить очень тонкую медную проволоку от лака? Речь идет о сечении буквально 0,1мм. Обжиг тут не приемлем - проволока сгорает вместе с лаком! Наждачка - тоже не вариант.
Собственно, купил жидкость для чернения меди, латуни и пр., но лак препятствует есессно. Вернее, жидкость лак в конце концов растворяет, но... проволочка при этом успевает разрушиться тож
Попробуйте ацетон, желательно чистый.
Всем привет!
С акриловыми грунтами на водной основе больше связываюсь, все что было на фотополимерной смоле потрескалось.
Всё смыл спиртом.
По совету Алексея Лежнева приобрел грунт Тамия
И на этом я думаю свои эксперименты по подбору грунтов, в том числе для покрытия фольги, закончить!
Дорого( 800р за 100мл), но отвечает всем моим нескромным запросам.
Ложится тонким слоем, укрывистость, быстро сохнет верхний слой( пыль не успевает осесть!), короче, я доволен!
Вот участок фольги прокатанный самой мелкой клёпкой:
Ничего не залило, все видно.
А это я попытался снять ножом грунтовку)
Намертво!
Ну и перегрунтованная башня ГК:
Спасибо! Будем стараться и дальше в том же духе!)
@Алексей Лежнев написал:Но лично у меня с нитрой дружбы как-то не получилось. Поэтому грунтую Тамиевской нитрой из баллона, а крашу уже акрилом.....
А нитрагрунт тамиевский тонким слоем реально положить? Я почему аэром и взялся грунтовать. Тамию пока еще не пробовал, но походу надо начинать уже)
Спасибо за совет, надо будет попробовать.
Всем привет!
Продолжаю работу с башнями ГК.
Смоделированные ствол, кожух и смотровые приборы распечатал на фотополимернике.
Кстати о нарезки ствола, не видно её глазом после печати, только под лупой рассматривать)
Чтоб стволы не смотрели по сторонам , смоделил еще оснастку для вклейки.
Далее дело техники)
Смотровые приборы запортачил, плохо промыл в спирте после печати, поэтому пришлось поработать напильником, ну и подшпаклевать придется после грунта.
Ну и прогрунтовал. Приобрел аэрограф jas1113, понравился, уж лет 8 в руках не держал, а руки помнят)
Грунт акрил на воде, фирмы aero, чем красить потом еще не определился, и вопрос, если я решу красить нитрой, то как она ляжет на этот грунт, или вообще лучше другой грунт, на другой основе?
@Юрий Флоров написал:Илья Кузьминых написал:Это получается, как у меня, придется целиком верхние броневые листы наклеивать, от первого носового, до крайнего кормового казематного орудия, там 125мм было, итого 0.6-0.7 мм толщиной.
Будем решать "по месту". Пока не понятно.
Открывайте спор, по причине несоответствия товара, прикрепив фото того , что пришло. Далее продавец сам вам предложит варианты решения ситуации. Администрация на стороне покупателя обычно.
Всем привет!
Спасибо!)
Продолжаем работу с башнями ГК.
Подшпаклевал, загрунтовал.
Решил добавить немного рельефа на крышу.
Вот фото, где хорошо это видно:
И схема бронирования башни:
Для начала рисуем трафарет и наклеиваем на фольгу 50 мкм, при помощи клея карандаша канцелярского:
Выдавливаем точки при помощи тыльной части сверла 0,5 мм и проводим канцелярским ножом по стыкам, так , чтоб не прорезать фольгу , а оставить только глубокий след.
Отрываем трафарет и клеим фольгу на обильное количество цианокрилата , не переворачиваем крышей к верху, чтоб клей не потек по стенкам башни.
Вот клей подсох:
Снимаем:
Далее зачищаем лишний клей и грунтуем.
Покрасил на время акрилом, чтоб было лучше видно результат:
@Алексей Лежнев написал:Уважаемые Коллеги!
Не без гордости могу сообщить, что на Чемпионате России моя модель "Севастополя" получила 96,33 балла.
А это значит, что была отмечена золотой медалью.
Да, я проиграл.... но проиграл достойнейшему конкуренту USS Vincennes CG-4 в исполнении Дмитрия Шуляка - судьи ему присудили 98,0 баллов. И то, как я считаю, оценка его модели была немного занижена - прекрасная модель!
Так что есть мотивация к дальнейшему развитию и совершенствованию.
Продолжаем развиваться!!!!!
С Уважением, Алексей.
Присоединяюсь к поздравлениям!!!)
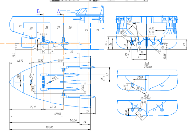
Всем привет!
Наконец-то пошло дело с валопроводом.
По 3д модели нарисовал себе чертежик:
Выпиливать решил вручную из подручных, так сказать.
Материалы:
-стержень сварочного электрода 3ки
-газета
-пищевая фольга 9мкм
-пластик ПВХ (уголок со строительного магазина)
-клей цианокрилат
-шпатлевка по пластику ZIP
Из инструментов дрель, напильники, надфили и т п.
Заготовка втулки: Стержень обмотал фольгой в два слоя, поверх в несколько слоёв до необходимого диаметра газетой, попутно пропитывая цианокрилатом, потом шпаклюем.
Далее обтачиваем при помощи дрели и напильника до нужной формы.
Приклеиваем стойки из ПВХ, предварительно выточив на них шпонки, а во втулке выполнив отверстие.
Вот результат, детали:
Собираем:
Примеряем:
Возможно всё можно было сделать намного проще, но вышло как то так!)
Штанга дозаправки в воздухе.