Karopka 3.0
Сообщения на форуме
ЭКСКАВАТОР ЭО-2621 ЮМЗ-6 Неоконченные сказки

Юра, изумительно! Лучше настоящего!

Миноносец Форель 1/100 Рассказанные сказки

Юра, приветствую! Так мастерски исполненный подготовительный этап на корпусе однозначно требует продолжения!!! 

Доброго дня!
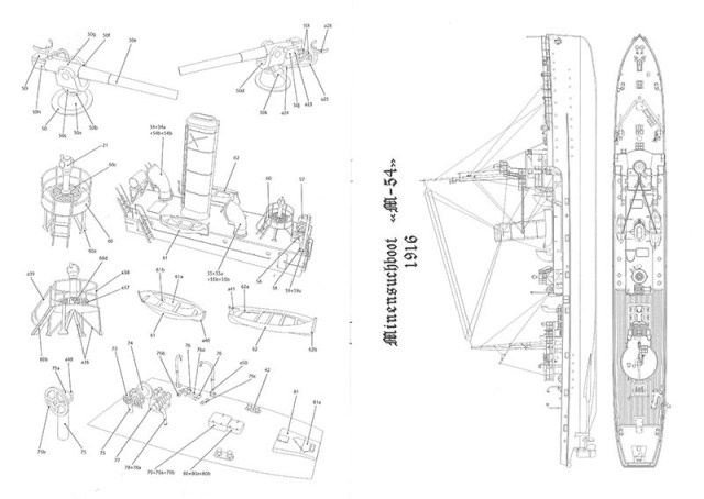
От издательства Авангард развертки такие
 
 
 

Приветствую! Попалось мне сегодня сообщение с таким изданием
 
Есть в наличии в интернет-магазине "Моркнига".

Алексей! Позвольте поинтересоваться,  что решили по окраске подводной части корпуса первого (раннего) броненосца? Мое мнение - раз окраска в так называемом "викторианском стиле" с черным бортом и белыми надстройками, то подводную часть красить в красно-кирпичный цвет, по образу броненосцев британского флота того периода.  Перебирая фото и литературу, заметил одну особенность:  в зеленый цвет окрашивалась подводная часть кораблей, построенных на иностранных верфях, либо проходивших на оных ремонт.
С уважением,

И еще. Эскадренный броненосец «Три Святителя» на рейде Севастополя. Конец 1890-х годов
Ф. р-2239. On. 1. Д. 2558
 
Я так понимаю, горизонтальная полоса белого цвета идет вдоль всего борта под верхней палубой и казематом 152 мм орудий.

@Алексей Лежнев написал:

1904 год – Подводная обшивка окрашивается одним слоем коричневой патентованной краски


Если красить такой схемой, то на мой взгляд, такой цвет, как на рисунке, подойдет 

Не знаю, есть ли у Вас такое.
Согласно циркуляру Морского технического комитета от 24 марта 1908 года №3 для кораблей русского флота вводилось следующее требование: " ...все, что может быть видимо издали, должно окрашиваться в защитный шаро-зеленый цвет. Так красили на верхней палубе фальшборт, коечные сетки, пиллерсы, подволоки мостиков, рубки снаружи, шлюпки и даже буксирные кнехты и другие предметы, требовавшие частой подкраски. Не были забыты  дымовые трубы и кожухи (сверху), вентиляционные раструбы, а также поручни, штурвалы и металлические тумбы компасов. По наружному борту такой краской покрывались надводная часть выше ватерлинии и подводная часть ниже "на два фута" (0.61м), все шлюпбалки и краны. Мачты, топы, флагштоки и ноки реев также красились в шаро-зеленый цвет, внутренняя поверхность командирских и  офицерских шлюпок - белилами, а их наружная поверхность ( также, как и рабочих шлюпок)- в защитный цвет. Внутренняя поверхность рабочих шлюпок над банками красилась в защитный цвет, а под банками - "шаровой масляной краской".
  Циркуляром штаба командующего Морскими силами Балтийского моря от 7 марта 1912 года  "к точному и неукоснительному исполнению" предписывалось придерживаться следующих правил: линкоры, крейсеры, заградители, учебные суда, корабли партии траления и транспорты при эскадре  красить тремя цветами: светло-шаровым, темно-шаровым и черно-сероватым. первый предназначался для рангоута,дымовых труб, надстроек и шлюпок, второй - для наружных бортов, третий - для подводных лодок (узкая полоса у ватерлинии). Канонерские лодки, миноносцы, лоцманские суда и транспорты при дивизии миноносцев носили защитный с зеленоватым оттенком цвет, подводные лодки - темно-шаровый, посыльные суда - цвет того отряда, при котором состояли, портовые плавучие средства - черный. С 21 марта 1912 года это положение распространилось и на Черноморский флот.

Всем желаю здравия!
Нашел такие схему и фото.
  
 

@Алексей Лежнев написал:
Олег Терентьев написал:

одна отечественная модельная фирма Card kid грозится издать модель броненосца "Три святителя" из бумаги со всеми допами.


Первый раз слышу!

В 2012 году Громик начинал делать эту модель, но быстро забросил по непонятным причинам.

Попрошу подробностей.

С Уважением, Алексей.


https://cardkit.ru/katalog/nabory-cardkit/flot/eskadrennyi-bronenosets-tri-svyatitelya-rossiya-chern...
Посмотрите по этой ссылке.
С уважением,

Приветствую, коллеги! Стройка такого корабля, да еще и в 200-м масштабе, вызывает неподдельный интерес. Если мне не изменяет память, одна отечественная модельная фирма Card kid грозится издать модель  броненосца "Три святителя" из бумаги со всеми допами.

@Юрий Флоров написал:

Липа? А почему не модулан или хотя бы ПВХ?


Помню, в бытность занятий в судомодельном кружке, учили, что если строишь корпус из дерева, то выбирай липу. 
С современными материалами, уже  подзабытая классика постройки корпусов кораблей.

Приветствую, Антон,  Александр!
Уверен, проект будет очень интересным и познавательным! Беру билет в первый ряд. 

@Андрей Кузнецов написал:

50 оттенков серого, 50 оттенков кирпичного


И еще добавить зеленую "густотерку" на палубу.

Британский монитор М-15 1/100 Неоконченные сказки

Англичане использовали в качестве орудий ГК на своих мониторах серии "м" 234мм орудия со списанных бронепалубных крейсеров.

ЭМ пр.56 "Спешный", масштаб 1:200 Неоконченные сказки

Один из красивейших артиллерийских кораблей отечественного флота, на мой взгляд. И столько вариантов для постройки моделей! (Имею ввиду модернизации - от Пламенного до ракетных кораблей проекта 57).
Антон, уверен, из Ваших рук выйдет еще один шедевр!

Британский монитор М-15 1/100 Неоконченные сказки

Ну вот, Юра, поставил орудие и уже корабль. Все очень здорово получается!

Британский монитор М-15 1/100 Неоконченные сказки

Юра, приветствую! 
Зная твой подход к нашему любимому хобби, постройка модели сравнима с постройкой настоящего корабля. Что прекрасно иллюстрируют выложенные фотографии. Внимательно и с большим интересом буду наблюдать и в меру своих знаний помогать с постройкой. Удачи, сходимости и острого ножа!

Крейсер 1-го ранга "Аскольдъ" 1:200 Неоконченные сказки

Саша, приветствую! С большим интересом понаблюдаю за стройкой Аскольда! Острого ножа и отличной сходимости!

Миноносец Форель 1/100 Рассказанные сказки

Юра, занял место. С огромным интересом буду следить, есть чему поучиться!