Karopka 3.0

Набор для конверсии Т-72 М1 (Tamiya) в БМР-3

Автор: Дмитрий Размещено: 22.08.2015 · ruspatriot 7 057 просмотров
Производитель:
Zedval (Россия)
Масштаб модели:
1:35
Тип модели:
Бронетехника
Тип афтемаркета:
Смола
Тип обзора:
Афтермаркет

Всем привет!
Представляю на Ваш суд обзор набора для конверсии Т-72 М1 (Tamiya) в БМР-3 (Бронированную машину разминирования) от фирмы Zedval(Россия)
Получив заветную коробочку, поспешил открыть её.
Увиденное меня несколько озадачило, несмотря на то, что коробочка небольшая уместилось в неё довольно внушительное количество всяких деталюшек из смолы светло серого цвета.
Теперь по подробнее:
Верхняя часть корпуса, дана одной деталью, которая отлита идеально, детальки все проработаны очень качественно, нанесены сварные швы, ящички лючки придраться не к чему, смолы я повидал на своём веку много, поэтому знаю что говорю.
Вот только у каждой медали есть обратная сторона, а она как оказалось так далека от идеала, что просто даже не знаю что сказать. Сплошные наплывы, провалы, волны и какие-то вспучившиеся пеньки, с пузырьками, просто лунный ландшафт, в общем, работы по выравниванию и подгонки под ванну корпуса Т-72 просто за край нужно как обычно запасаться терпением.   
Верхняя рубка дана тоже одной деталью
Нижняя бронировка корпуса
Дальше идут детали ножевого трала КМТ-8.
Минного трала КМТ-7.
Различных штанг, блоков, всяких соединительных приспособ
Также дан ствол пулемёта, антенна цепочка для трала.
На многих деталях присутствует облой, где то его много, где то мало в любом случае лёгким в работе такой набор не будет,
точно не для слабонервных.
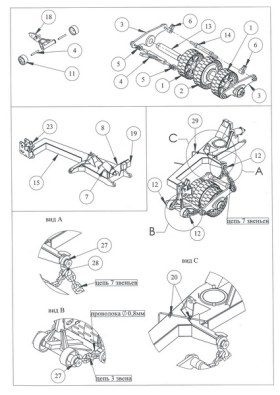
Инструкция, дана в виде листочков формата А4 в черно белом схематичном отображении.
За качество фото извиняюсь, с фотиком была проблемка.  

Оценки

95,39 из 100
Исполнение: 97,00 Окраска: 97,00 Матчасть: 99,00
1 голос Все оценки

Войдите, чтобы оценить работу.

Комментарии (23)

Олег Губарев Олег Губарев

На сайте с 22.12.2011

145     226

Спасибо за обзор!
Вопрос: разве прототип модели без ДЗ? Производитель, как я понял, элементы ДЗ не дает.
На первом фото ванна корпуса от Tamiya?
Ну и - цена набора?

С уважением - Олег.

Андрей Евсеев Андрей Евсеев

Эстет

На сайте с 02.08.2013

24     4524

Вот спасибо, теперь все понятно с этим набором.

Дмитрий Дмитрий

Спонсор

На сайте с 21.03.2013

22     223

С ДЗ это БМР-3М
Ванна корпуса на Зедваловском фото скорее всего Тумпетеровское.
Цена набора 5000 руб.

Дмитрий Дмитрий

Спонсор

На сайте с 21.03.2013

22     223

Вот спасибо, теперь все понятно с этим набором.

Да не за что.
Набор всё равно хорош несмотря на все недостатки, альтернативы то всё равно нет.
А пилить мы привычные.

?
Гость
Гость

Простите, а после такой конверсии от модели, якобы базовой, что-то останется ? )

Дмитрий Дмитрий

Спонсор

На сайте с 21.03.2013

22     223

Только ванна корпуса и возможно придётся каточки поменять поставить на 6 выштамповок далее «спиц», а не на 8.
Выхлоп придётся ставить тоже Зедваловский там уже всё для этого подработано.
Но зато весьма убедительно и копийно.

Олег Губарев Олег Губарев

На сайте с 22.12.2011

145     226

С ДЗ это БМР-3М
Спасибо за ответ. Я имел ввиду этот вариант:

http://www.dishmodels.ru/wshow.htm?p=2266&np=all

С уважением - Олег.

maks62 maks62

Эстет

На сайте с 04.10.2011

4     3889

Игорь КИО (Игорь КИО)
ходовая)))))

Дмитрий Дмитрий

Спонсор

На сайте с 21.03.2013

22     223

Цитата:С ДЗ это БМР-3МСпасибо за ответ. Я имел ввиду этот вариант:

http://www.dishmodels.ru/wshow.htm?p=2266&np=all
С уважением - Олег.

Да даётся именно этот вариант

Дмитрий Дмитрий

Спонсор

На сайте с 21.03.2013

22     223

Игорь КИО (Игорь КИО)

ходовая)))))


Ага, она родная,
поэтому если есть вариант можно и отлить отдельно себе ванну корпуса от Т-72.

Олег Губарев Олег Губарев

На сайте с 22.12.2011

145     226

Цитата:Цитата:С ДЗ это БМР-3МСпасибо за ответ. Я имел ввиду этот вариант:

http://www.dishmodels.ru/wshow.htm?p=2266&np=all
С уважением - Олег.

Да даётся именно этот вариант


Дмитрий, но если это тот вариант - где ДЗ? В наборе я такого элемента не рассмотрел.

С уважением - Олег.

Андрей Евсеев Андрей Евсеев

Эстет

На сайте с 02.08.2013

24     4524

В наборе более раняя машина с верхними люками от БМП, ДЗ на ней нет ни встроенной, ни навесной. Хотя со временем могли и модернизировать.

Дмитрий Дмитрий

Спонсор

На сайте с 21.03.2013

22     223

А в наборе этого элемента нет
У Вас есть право выбора собрать его таким.
Деталь "Блок встроенной динамической защиты ВЛД "Контакт-V""
продаётся тут же на сайте Зедваловском и стоит 260 рубликов.

Дмитрий Дмитрий

Спонсор

На сайте с 21.03.2013

22     223

Или таким. Это БМР-3 КОРТ-Б Изготовитель:
103-й бронетанковый ремонтный завод
Выбор за Вами.

Дмитрий Дмитрий

Спонсор

На сайте с 21.03.2013

22     223

В наборе более раняя машина с верхними люками от БМП, ДЗ на ней нет ни встроенной, ни навесной. Хотя со временем могли и модернизировать.

Именно.
И с люками там тоже вариантов множество. И с формой самих люков. Это просто даётся база, а уже от информации находящейся у Вас вы делаете что нужно, докупив те или иные детали.
Можно собрать даже БМР-3М с блоками ДЗ. Прикупив блоки.

Дмитрий Дмитрий

Спонсор

На сайте с 21.03.2013

22     223

И если напрячься можно замахнуться на такое чудо юдо, только вот трал самому придётся пилить его пока ни один производитель не делает

Дмитрий Дмитрий

Спонсор

На сайте с 21.03.2013

22     223

http://gurkhan.blogspot.ru/2011/08/i.html
http://gurkhan.blogspot.ru/2011/08/i-i.html
http://gurkhan.blogspot.ru/2011/08/i-i-i.html
Вот очень информативно и наиболее полно отражена эта машина, её история и всё остальное в этой статье из 3х частей.

Андрей Евсеев Андрей Евсеев

Эстет

На сайте с 02.08.2013

24     4524

Меня вот больше смущает два прямоугольных люка на левой стороне рубки. Такое расположение встречал только на схемках у Хлопотова. На имеющихся фото обычно один люк.

Олег Губарев Олег Губарев

На сайте с 22.12.2011

145     226

Или таким. Это БМР-3 КОРТ-Б Изготовитель:

103-й бронетанковый ремонтный завод
Выбор за Вами.

О, это первое фото (для меня), где машина без всякой ДЗ :-)
Сильно не искал, просто "загуглил", а там все в "ДЗ"... Да, согласен, можно собрать любой вариант. Все по-своему интересны.
Еще раз - спасибо за обзор!

С уважением - Олег.

Дмитрий Дмитрий

Спонсор

На сайте с 21.03.2013

22     223

Цитата:Или таким. Это БМР-3 КОРТ-Б Изготовитель:

103-й бронетанковый ремонтный завод
Выбор за Вами.
О, это первое фото (для меня), где машина без всякой ДЗ :-)
Сильно не искал, просто "загуглил", а там все в "ДЗ"... Да, согласен, можно собрать любой вариант. Все по-своему интересны.
Еще раз - спасибо за обзор!
С уважением - Олег.

Не за что, рад если помог чем нибудь.

Дмитрий Дмитрий

Спонсор

На сайте с 21.03.2013

22     223

Меня вот больше смущает два прямоугольных люка на левой стороне рубки. Такое расположение встречал только на схемках у Хлопотова. На имеющихся фото обычно один люк.

Я то же обратил на это внимание, пока собираю инфу.
Есть в планах пару таких машин с ДЗ и без сделать, но копировать буду, (лить) каждый раз по 5 косых отдавать слишком накладно.

Олег Губарев Олег Губарев

На сайте с 22.12.2011

145     226

Есть в планах пару таких машин с ДЗ и без сделать, но копировать буду, (лить) каждый раз по 5 косых отдавать слишком накладно.
Силикон и эпоксидка Вам в помощь! :-)

Сам таким "грешу"...

С уважением - Олег.

Дмитрий Дмитрий

Спонсор

На сайте с 21.03.2013

22     223

Цитата:Есть в планах пару таких машин с ДЗ и без сделать, но копировать буду, (лить) каждый раз по 5 косых отдавать слишком накладно. Силикон и эпоксидка Вам в помощь! :-)

Сам таким "грешу"...
С уважением - Олег.

Да достали, цены космические, ломят как будто смола золотая.
Сам отливками занимаюсь потихоньку, имею представление о её реальной стоимости.
и самое обидное что платишь такие деньжищи, а качество отливок страдает.

Войдите, чтобы оставить комментарий.